Medidor de Velocidade com 8051
Objetivo
Bom pessoal esse é um projeto que fiz para a matéria de Microcontroladores do meu curso de eletrônica. Montei ele e ta funcionando legal! \o/
A parte que deu mais trabalho foi criar o código fonte. Fica ai o projeto pra se alguém quiser fazer ou aperfeiçoar.
Para saber mais sobre o código fonte mande-me um email.
Deixe sua opinião nos comentários!
Para saber mais sobre o código fonte mande-me um email.
Deixe sua opinião nos comentários!
Calcular a velocidade de um objeto qualquer através de dois sensores de barreira a distância de um metro.
Materiais
74LS244 --> x2 -> Octal buffer/line driver
AT93S52 -> x1 -> Microcontrolador da família 8051
BC 548 à x2 -> Transistor
Oscilador De Cristal -> Frequência de 12 Mega Hz
Display de 7 segmentos catodo comum à x2 -> Display
Til 32 -> x2 -> Foto emissor infravermelho
Til 78 -> x2 -> Foto receptor infravermelho
Resistor 400 Ohms -> x2
Resistor 13K Ohms -> x2
Resistor 100 Ohms -> x2
Resistor 1K Ohms -> x17
Resistor 500 Ohms -> x1
Resistor 5K Ohms -> x1
Capacitor 10 µF -> x1 -> eletrolítico
Capacitor 33 pF -> x1 -> cerâmico
Chave Botão sem trava -> x1
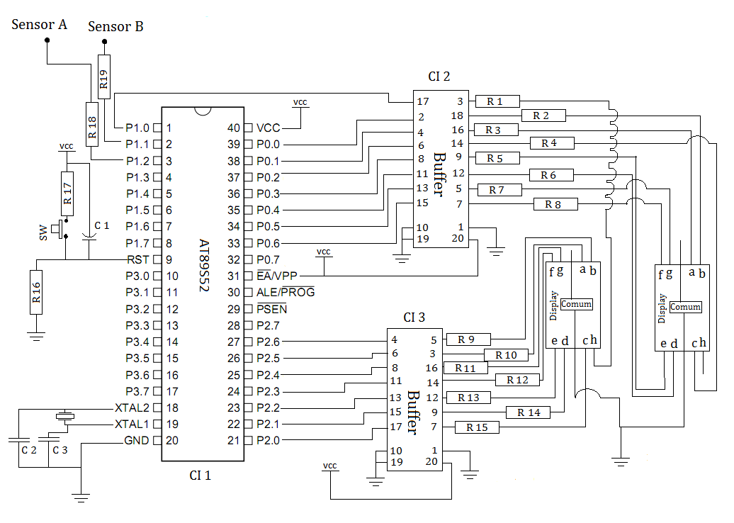
Esquema elétrico
R16 -> Resistor 5 K Ohms
R17 -> Resistor 500 Ohms
R18 e R19 -> Resistor 1K Ohms
SW -> Chave Botão sem trava
C1 -> Capacitor Eletrolítico de 10 µF
C2 e C3 -> Capacitor Cerâmico de 33 pF
CI 1 -> AT89S25
CI 2 e CI 3 -> 74LS244
Cristal 1 v 12 M Hz
VCC -> 5 Volts
Esquema elétrico dos sensores Infra vermelhos
- Emissor
Sendo R Led um resistor de 400 Ohms e VCC igual a 5 Volts.


Sugestão de Placa

Montagem
CI 1 -> AT93S52
CI 2 e CI3 -> 74LS244
C 1 -> Capacitor Eletrolitico de 10 µF
C 2 e C3 -> Capacitor Ceramico de 33 pF
X1 -> Oscilador De Cristal Frequencia de 12 Mega Hz
SW -> Chave Botão sem trava
Q1 e Q2 -> BC 548






Bom dia!
ResponderExcluirMuito bom seu projeto, você fez na linguagem assembly?
Teria como passar o código fonte?
Jorge Henrique
jorge.hfj@gmail.com
Amigo você pode me disponibilizar o código fonte? Desde já obrigado.
ResponderExcluirdaazshop@gmail.com
Muito legal, pode detectar velocidade e se quiser implementar mais uma rotina detectar o sentido do movimento......PARABÉNS A EQUIPE.
ResponderExcluir